产品[
DHD-2,DHD-4,DHD-8,DHD-16,DHD-32,DHD-50,电磁失电制动器
]资料
如果您对该产品感兴趣的话,可以
产品名称:
DHD-2,DHD-4,DHD-8,DHD-16,DHD-32,DHD-50,电磁失电制动器
产品型号:
DHD-2,DHD-4,DHD-8,DHD-16,DHD-32,DHD-50,
其它品牌
产品文档:
无相关文档
简单介绍
DHD-2,DHD-4,DHD-8,DHD-16,DHD-32,DHD-50,电磁失电制动器 ,生产厂家,价格
DHD-2,DHD-4,DHD-8,DHD-16,DHD-32,DHD-50,电磁失电制动器
的详细介绍
DHD-2,DHD-4,DHD-8,DHD-16,DHD-32,DHD-50,电磁失电制动器 ,生产厂家,价格
<一> 用途
DHD系列制动器为电磁脱离(释放)断电时弹簧施压的摩擦片式制动器(以下简称制动器)。它能与电动配套成一种新型的制动电机,也能用于机械传动系统,实现快速停车和准确定位,能用在断电时**(防险)制动等场合。这种制动器具有结构简单、适应性广、噪音低、制动可靠等优点,被广泛应用于各种机械的传动装置中,它是工业现代化中的一种理想执行元件。生产技术的自动化,需要超薄型的电磁失电制动器(**制动器)以其优良的特性满足不同用途的机器人、电机等各种不同机械的需要。
结构特点:
1、结构紧凑 电磁失电制动器轴向尺寸虽小,但制动扭矩足够大。
2、响应迅速 电磁失电制动器是采用弹簧装置形成制动扭矩,弹簧复位时间即为制动响应时间
3、寿命长久 失电制动采用新型摩擦材料,决定高寿命的性能。
制动器能在下列条件下可靠地工作:
1、周围空气相对湿度不大于85%(20±5℃)
2、周围介质中,无足以腐蚀金属和破坏绝缘的气体及尘埃。
3、制动器周围采用B级绝缘,电压波动不超过+5%和-15%的额定电压,其工作方式为连续工作制
4、安装时应保证传动轴部位与制动器的配合精度。
5、制动器的制动盘必须在无油污的情况下使用。 <二>
结构和工作原理:
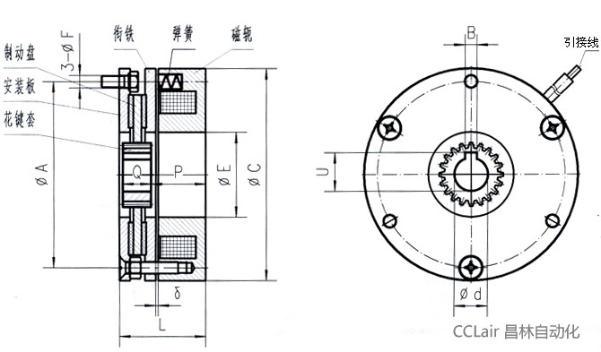
制动器由磁轭、励磁线圈、弹簧、制动盘、衔铁、花键套、安装镙钉等组成,制动器安装在设备的法兰盘(或电动机)的后端伸;传动轴与花键套与制动盘联结。
制动器的励磁线圈接通额定电压(DC)时,电磁力吸合衔铁,使衔铁与制动盘脱离(释放),这时传动轴带着制动盘正常运转或启动,当传动系统分离或断电时,制动器也同时断电,此时弹簧施压于衔铁,迫使制动盘与衔铁及法兰盘之间产生摩擦力矩,使传动轴快速停转。在制动器散热环境较差,传动轴又是长时间连续工作时,如果条件允许,则可在制动器工作后,保持电压转换为70%-80%的额定电压,以减少发热。 |
|
<一> 用途
DHD系列制动器为电磁脱离(释放)断电时弹簧施压的摩擦片式制动器(以下简称制动器)。它能与电动配套成一种新型的制动电机,也能用于机械传动系统,实现快速停车和准确定位,能用在断电时**(防险)制动等场合。这种制动器具有结构简单、适应性广、噪音低、制动可靠等优点,被广泛应用于各种机械的传动装置中,它是工业现代化中的一种理想执行元件。生产技术的自动化,需要超薄型的电磁失电制动器(**制动器)以其优良的特性满足不同用途的机器人、电机等各种不同机械的需要。
结构特点:
1、结构紧凑 电磁失电制动器轴向尺寸虽小,但制动扭矩足够大。
2、响应迅速 电磁失电制动器是采用弹簧装置形成制动扭矩,弹簧复位时间即为制动响应时间
3、寿命长久 失电制动采用新型摩擦材料,决定高寿命的性能。
制动器能在下列条件下可靠地工作:
1、周围空气相对湿度不大于85%(20±5℃)
2、周围介质中,无足以腐蚀金属和破坏绝缘的气体及尘埃。
3、制动器周围采用B级绝缘,电压波动不超过+5%和-15%的额定电压,其工作方式为连续工作制
4、安装时应保证传动轴部位与制动器的配合精度。
5、制动器的制动盘必须在无油污的情况下使用。 <二>
结构和工作原理:
制动器由磁轭、励磁线圈、弹簧、制动盘、衔铁、花键套、安装镙钉等组成,制动器安装在设备的法兰盘(或电动机)的后端伸;传动轴与花键套与制动盘联结。
制动器的励磁线圈接通额定电压(DC)时,电磁力吸合衔铁,使衔铁与制动盘脱离(释放),这时传动轴带着制动盘正常运转或启动,当传动系统分离或断电时,制动器也同时断电,此时弹簧施压于衔铁,迫使制动盘与衔铁及法兰盘之间产生摩擦力矩,使传动轴快速停转。在制动器散热环境较差,传动轴又是长时间连续工作时,如果条件允许,则可在制动器工作后,保持电压转换为70%-80%的额定电压,以减少发热。
|
|
规格/Nm
|
额定静扭矩
(N.M)
|
激磁电压
(DC-V)
|
功率
(W)
|
接通(释放)时间(ms)
|
断开(制动)时间
(ms)
|
|
DHD-2
|
2
|
24
或99
或170
|
10
|
25
|
15
|
|
DHD-4
|
4
|
13
|
35
|
15
|
|
DHD-8
|
8
|
15
|
40
|
20
|
|
DHD-16
|
16
|
18
|
60
|
40
|
|
DHD-32
|
32
|
28
|
65
|
40
|
|
DHD-50
|
50
|
45
|
70
|
45
|
|
DHD-100
|
100
|
75
|
85
|
50
|
|
DHD-200
|
200
|
110
|
100
|
60
|
|
DHD-400
|
400
|
150
|
100
|
70
|
|
DHD-500
|
500
|
|
160
|
100
|
80
|
|
DHD-1000(双制动盘)
|
1000
|
|
160
|
100
|
80
|
|
规格/Nm
|
A
|
C
|
E
|
F
|
G
|
L
|
P
|
Q
|
S
|
d
|
B
|
U
|
|
DHD-2
|
68
|
77
|
20
|
3-¢4.5
|
10
|
30
|
18
|
8
|
0.1-0.2
|
12
|
4
|
13.8
|
|
DHD-4
|
74
|
85
|
20
|
3-¢5.5
|
11
|
32
|
16
|
12
|
0.1-0.2
|
12
|
4
|
13.8
|
|
DHD-8
|
85
|
97
|
25
|
3-¢5.5
|
11
|
35
|
14
|
16
|
0.1-0.2
|
14
|
5
|
16.3
|
|
DHD-16
|
108
|
118
|
40
|
3-¢5.5
|
11
|
41
|
15
|
20
|
0.1-0.2
|
19
|
6
|
21.8
|
|
DHD-32
|
118
|
131
|
40
|
3-¢6.5
|
12
|
51
|
30
|
24
|
0.2-0.4
|
20
|
6
|
22.8
|
|
DHD-50
|
132
|
146
|
50
|
3-¢6.5
|
12
|
66
|
39
|
30
|
0.2-0.4
|
25
|
8
|
28.3
|
|
DHD-100
|
156
|
183
|
73
|
3-¢9
|
15
|
76
|
44
|
35
|
0.3-0.5
|
30
|
8
|
33.3
|
|
DHD-200
|
175
|
201
|
80
|
3-¢11
|
15
|
86
|
55
|
35
|
0.4-0.7
|
40
|
12
|
43.3
|
|
DHD-400
|
235
|
255
|
90
|
6-¢9
|
15
|
88
|
37
|
50
|
0.4-0.7
|
45
|
14
|
48.8
|
|
DHD-500
|
276
|
295
|
140
|
3-¢13
|
20
|
89
|
55.5
|
30
|
0.4-0.7
|
60
|
18
|
64.4
|
|
DHD-1000
|
276
|
295
|
140
|
3-¢13
|
20
|
109
|
60.5
|
40
|
0.4-0.7
|
80
|
22
|
85.4
|