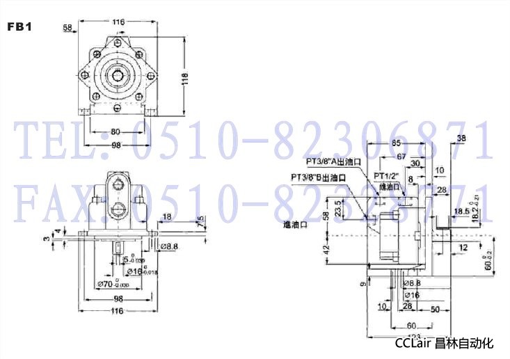
FB1-05,FB1-07,FB1-12,定量叶片泵
产品特点
1、重量轻、体积小,适用于工作机械、专用机械等。
2、压力调整时,脉动稳定、效率高。
3、低吸入阻抗,低噪音值。
4、可自行选择出油管方向有180°方向及90°方向。
型号说明
|
FB1
|
-12
|
R
|
F
|
|
型号说明
|
排量
|
旋转方向(从轴端看)
|
安装方式
|
|
定量叶片泵
(低压型)
|
参照规格表
|
R:顺时针方向
L:逆时针方向
|
F:法兰式
L:脚座式
|
规格表
|
型号
|
排量 m/rev
|
*高使用
压力MPa
|
在1800r/min,黏度20cst时的特性
|
容许转数r/min
|
重量kg
|
|
流量 /rev
|
功率 Kw
|
|
0.5MPa
|
3.5MPa
|
7MPa
|
0.5MPa
|
3.5MPa
|
7MPa
|
*高
|
*低
|
法兰型
|
脚座式
|
|
FB1-05
|
4.3
|
7
|
7.7
|
7.2
|
6.5
|
0.20
|
0.75
|
1.5
|
2200
|
600
|
3.5
|
4.5
|
|
FB1-07
|
7.0
|
7
|
12.6
|
11.8
|
11
|
0.25
|
1.05
|
2.1
|
2200
|
600
|
3.5
|
4.5
|
|
FB1-12
|
12.3
|
7
|
22.1
|
21.6
|
21.0
|
0.35
|
1.65
|
3.4
|
2200
|
600
|
3.5
|
4.5
|
|
型号
|
排量 m/rev
|
*高使用
压力MPa
|
在1800r/min,黏度20cst时的特性
|
容许转数r/min
|
重量kg
|
|
流量 /rev
|
功率 Kw
|
|
0.5MPa
|
3.5MPa
|
7MPa
|
0.5MPa
|
3.5MPa
|
7MPa
|
*高
|
*低
|
法兰型
|
脚座式
|
|
FB1-05
|
4.3
|
7
|
7.7
|
7.2
|
6.5
|
0.20
|
0.75
|
1.5
|
2200
|
600
|
3.5
|
4.5
|
|
FB1-07
|
7.0
|
7
|
12.6
|
11.8
|
11
|
0.25
|
1.05
|
2.1
|
2200
|
600
|
3.5
|
4.5
|
|
FB1-12
|
12.3
|
7
|
22.1
|
21.6
|
21.0
|
0.35
|
1.65
|
3.4
|
2200
|
600
|
3.5
|
4.5
|
尺寸图
