二联件,三联件,油雾分离器,气源处理器,过滤调压阀

产品资料
产品[

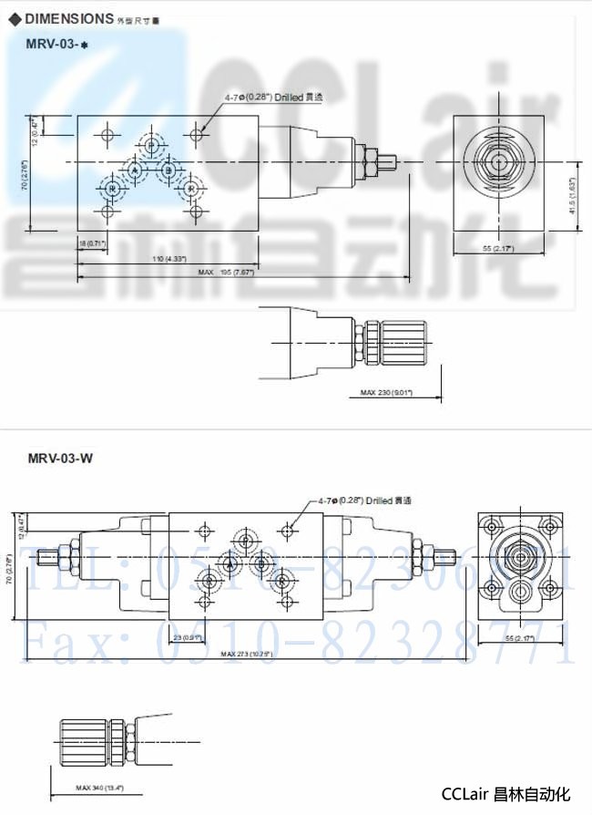
MRV-03-C,MRV-03-D,MRV-03-AD,MRV-03-BD,积层型溢流阀

]资料
如果您对该产品感兴趣的话,可以
产品名称: MRV-03-C,MRV-03-D,MRV-03-AD,MRV-03-BD,积层型溢流阀
产品型号: MRV-03-C,MRV-03-D,MRV-03-AD,MRV-03-BD,
其它品牌
产品文档: 无相关文档


简单介绍

MRV-03-C,MRV-03-D,MRV-03-AD,MRV-03-BD,积层型溢流阀,价格

MRV-03-C,MRV-03-D,MRV-03-AD,MRV-03-BD,积层型溢流阀

的详细介绍





产品留言
标题
联系人
联系电话
内容
验证码
点击换一张
注:1.可以使用快捷键Alt+S或Ctrl+Enter发送信息!
2.如有必要,请您留下您的详细联系方式!


无锡市昌林自动化科技有限公司    地址:无锡市会北路28-135号(无锡光电新材料科技园)   
电话:13812199898 13861877712    传真: